Cena:
2 595,00 CZKONE-SADA, 1-bodový ventil s hlavicí+svěrné šroub.Cu+Al-Pex, mosaz.rozeta+krycí trubičky,černá barva
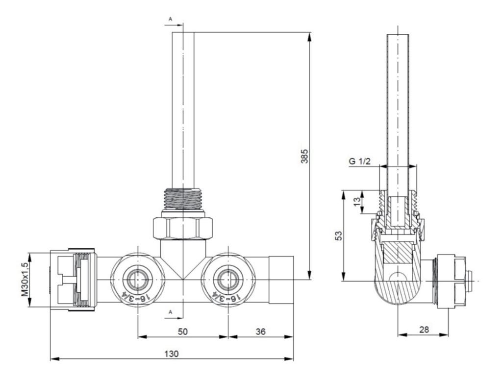
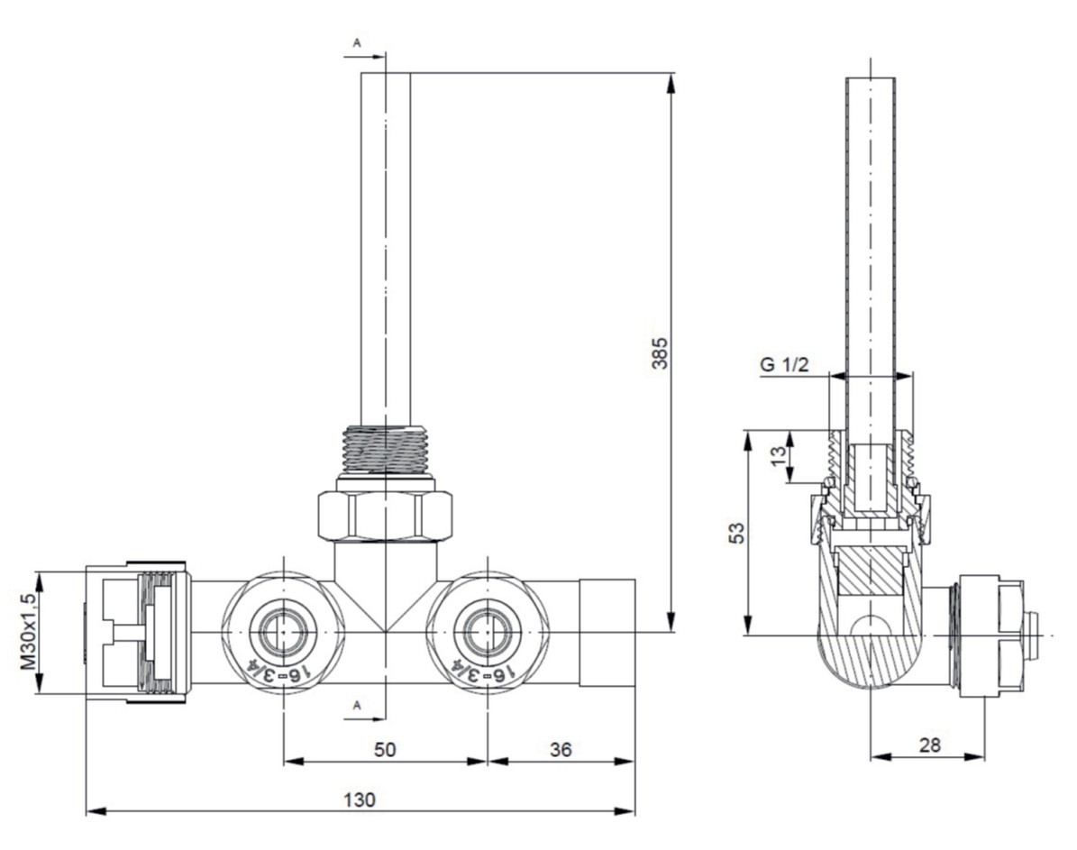
Ventil termostatická sada RDONESADAMR. včetně krycí rozety (mosaz) je určena pro radiátory s 1-bodovým připojením (50mm) pro teplovodní i kombinované topení. Barva sady: • RDO ...Více informací
Ventil termostatická sada RDONESADAMR. včetně krycí rozety (mosaz) je určena pro radiátory s 1-bodovým připojením (50mm) pro teplovodní i kombinované topení.
Barva sady:
• RDONESADAMRC - CHROM, rohové provedení
• RDONESADAMRB - ČERNÁ MAT, rohové provedení
• RDONESADAMRW - BÍLÁ LESK, rohové provedení
Ventil je oboustranný, a je určen pro připojení radiátorů na jedné straně (vlevo/vpravo) s vývodem ze zdi s roztečí 50mm. Zpátečka je vždy na straně termostatické hlavice.
Pro teplovodní topení je RDONESADAMR. kompletní, nic jiného nemusíte objednat.
Pro kombinované topení musíte objednat RDONESADAMR. + EL. TYČ v doporučeném výkonu, kterou můžete instalovat vlevo nebo vpravo vedle ventilu do radiátoru (například RADPST...).
Kompletní nabídka Vám usnadní výběr ventilu, neboť nemusíte řešit typ přívodního potrubí ani krycí rozety. Sada obsahuje:
• 1x termostatický ventil
• 1x termostatickou hlavici
• 1x 4ks svěrného šroubení (2ks měď - pr.15, 2ks aluplast - pr.16)
• 1x krycí rozeta, 2x krycí trubičky
Krycí rozety oceníte jako designové doladění radiátoru a ventilu, neboť skryje přívodní trubky i jejich spoj v obkladu.
ZÁRUKA 2 ROKY
| Barva | |
|---|---|
| Barva | Černá |
| Materiál | |
| Materiál | Mosaz |
| Ostatní | |
| Záruka | 2 roky |
| Vybavení | připojovací ventil, kompletní sada |
| Série | |
| Série | ONE-SADA |
| HYBRID | 2.37 MB | Formát PDF | 23.01.2026 | Stáhnout |
|---|














